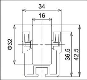
TYPE:GF-3A
NAME:Al alloy frame skate roller rail


Al alloy frame skate roller rail is made up with high strenght Al alloy frame ans ABS or PE engineering plastics,the color is yellow,bule,black,grey and white.
Widely used in the warehouse storage field,with high strength,self-lubricating,shock resistance,long life span.